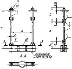
ПОДВЕСКА С ДВУМЯ ТЯГАМИ, РЕГУЛИРУЕМЫМИ ГАЙКАМИ, ВЕРТИКАЛЬНОГО РАСПОЛОЖЕНИЯ (ТИП ПГВ)
ОПИСАНИЕ:
Применяются для крепления горизонтальных трубопроводов диаметром от 57 до 530мм, транспортирующих рабочую среду температурой от 0 до + 450°С. Установка производится на трубопроводы различного назначения надземной прокладки. Подвески ПГВ предназначены для компенсации сдвига осевых и боковых нагрузок трубопровода.
Состоит из хомута, двух больших соединительных тяг, двух верхних тяг, двух регулирующих гаек, ушка (2х). Детали производятся из сталей марок 3сп5, ст.10,20 и 09г2с. Изготовление подвески ПГВ производится путем выполнения сварки (по ГОСТ 5264-80 электродами тип Э46 или их аналог) деталей указанных выше, и нанесения антикоррозийного покрытия ВДЛА-1222Р или его аналога.
2 - тяга с ушком верхняя;
4 - ушко;
5 - тяга соединительная;
6 - серьга;
10 - хомут в сборе;
11 - гайка по ГОСТ 5915-70;
12 - шайба по ГОСТ 11371-78
Технические характеристики
| Наименование изделия | Ду | Условная масса, кг. | Условная нагрузка Pmax, кгс | a, мм | d, мм | I, мм | I1, мм | Amax, мм |
|---|---|---|---|---|---|---|---|---|
| ПГВ-57 | 57 | 3,60 | 300 | 26 | 10 | 140 | 230 | 400 |
| ПГВ-76 | 76 | 4,70 | 300 | 26 | 10 | 140 | 230 | 440 |
| ПГВ-89 | 89 | 6,00 | 450 | 26 | 10 | 140 | 230 | 550 |
| ПГВ-108 | 108 | 8,50 | 600 | 26 | 10 | 140 | 230 | 560 |
| ПГВ-133 | 133 | 12,70 | 900 | 34 | 12 | 144 | 336 | 600 |
| ПГВ-159 | 159 | 13,60 | 900 | 34 | 12 | 144 | 336 | 630 |
| ПГВ-194 | 194 | 21,20 | 1900 | 43 | 16 | 170 | 344 | 680 |
| ПГВ-219 | 219 | 23,00 | 2000 | 43 | 16 | 170 | 344 | 750 |
| ПГВ-273 | 273 | 46,10 | 3000 | 43 | 16 | 170 | 344 | 860 |
| ПГВ-325 | 325 | 55,80 | 4800 | 51 | 20 | 206 | 412 | 900 |
| ПГВ-377 | 377 | 56,90 | 4800 | 51 | 20 | 206 | 412 | 920 |
| ПГВ-426 | 426 | 76,90 | 6000 | 62 | 24 | 244 | 484 | 1030 |
| ПГВ-480 | 480 | 73,80 | 4800 | 51 | 20 | 166 | 412 | 1060 |
| ПГВ-530 | 530 | 107,60 | 6800 | 62 | 24 | 184 | 484 | 1150 |